Рисунок 3
6 УКАЗАНИЯ МЕР БЕЗОПАСНОСТИ
6.1 Любое огнестрельное оружие, несмотря на наличие в нем различных предохранительных устройств, представляет собой известную опасность для жизни и здоровья людей при легкомысленном обращении с ним. Поэтому принимайте все меры предосторожности и помните, что пренебрежение правилами безопасности может привести к трагическим последствиям.
6.2 Всегда считайте ружье заряженным и готовым к выстрелу.
6.3 Не заряжайте ружье патронами с длиной гильзы более длины патронника, указанной на стволе, это может привести к разрыву ствола.
6.4 При самостоятельном снаряжении патронов строго выполняйте рекомендации по навеске пороха, содержащиеся на фабричной упаковке пороха.
Не применяйте смесь дымного и бездымного порохов!
6.5 Не стреляйте патронами и порохами, хранившимися более 4 лет.
6.6 Категорически запрещается применение любых неохотничьих порохов, т. к. это может привести к раздутиям и разрывам ствола.
6.7 Запрещается спрессовывать заряд из бездымного охотничьего пороха,
6.8 Не стреляйте пулей, диаметр тела которой больше диаметра канала ствола в зоне дульного сужения. Диаметр круглой пули должен быть на 0,2...0,3 мм меньше диаметра дульного сужения. Диаметр пули с наружными ребрами должен быть на 0,1...0,2 мм меньше диаметра канала ствола, а диаметр тела такой пули - на 0,8...1,0 мм меньше диаметра дульного сужения.
Запрещается применение патронов, снаряженных пулей, если пуля выступает над торцем закатанной гильзы, во избежание инерционного накола капсюля впереди стоящего патрона в магазине.
При самостоятельном снаряжении патронов тщательно закрепляйте пулю в патроне для предотвращения сдвига пули или выпадения ее из патрона в полость магазина при стрельбе.
6.9 Следите за качеством снаряжения патронов, чтобы избежать местных, так называемых "горохообразных" раздутии.
6.10 При сборке ружья после чистки, смазки проверяйте свободное перемещение в затворе и возврат ударника под действием пружины.
Проверку производите на затворе с собранным клином, нажимая на задний торец ударника.
6.11 ВНИМАНИЕ! При осечке производить перезаряжание ружья не ранее, чем через 30...40 сек.
6.12 Перед разборкой ружья убедитесь в том, что ружье разряжено, поставлено на предохранитель и в магазине нет патронов.
7. ПОРЯДОК РАБОТЫ С РУЖЬЕМ
7.1 Постановка и снятие на предохранитель производится за счет выбора положения кнопки предохранителя (рисунок 3). Крайнее правое положение кнопки предохранителя соответствует положению "на предохранителе", крайнее левое положение - "снято с предохранителя".
7.2 Порядок заряжания ружья. 7.2.1 Заряжание одним патроном:
ВНИМАНИЕ!!! Не заряжайте ружье патронами с длиной гильзы более длины патронника, указанной на стволе, это может привести к разрыву ствола.
- направьте ружье в безопасном направлении;
- поставьте предохранитель в положение "на предохранителе";
- отведите цевье в крайнее заднее положение, при взведенном курке необходимо предварительно нажать на кнопку задержки вверх (рисунок 3);
- вложите один патрон на лоток через окно для выброса гильз;
- нажмите кнопку перехватывателя (рисунок 3), после чего затвор при движении цевья вперед подаст
патрон в патронник;
- при необходимости производства выстрела снимите ружье с предохранителя. Ружье готово для выстрела.
7.2.2 Заряжание патронника и магазина:
- направьте ружье в безопасном направлении;
- поставьте предохранитель в положение "на предохранителе";
- отведите цевье в крайнее заднее положение, при взведенном курке необходимо предварительно нажать на кнопку задержки вверх;
- вложите один патрон через окно для выброса гильз;
- нажмите кнопку перехватывателя, после чего затвор при движении цевья вперед подаст патрон в патронник;
- следующий патрон вложите в трубку магазина через нижнее окно, предварительно отжав вверх лоток. Патрон вкладывайте полностью, нажимая пружину магазина до удержания его перехватывателем;
- таким же образом вставляйте остальные патроны до заполнения магазина;
- при необходимости производства выстрела ружье снимите с предохранителя. Ружье готово для выстрела.
7.3 По окончании стрельбы:
- ружье поставьте на предохранитель;
- проверьте, не осталось ли патронов в коробке, патроннике или магазине.
7.4 Порядок разряжания:
- направьте ружье в безопасном направлении;
- поставьте предохранитель в положение "на предохранителе";
- отведите назад затвор через цевье, нажав и удерживая кнопку задержки, и извлеките патрон из патронника;
- перемещайте цевье в крайние положения, пока не израсходуйся все патроны;
- проверьте патронник и магазин на отсутствие патронов в них.
8. ТЕХНИЧЕСКОЕ ОБСЛУЖИВАНИЕ РУЖЬЯ МР-133
8.1 Правильное обращение и своевременное техническое обслуживание повышает срок службы и гарантирует надежную работу ружья. Не следует, если в этом нет необходимости, производить полную разборку ружья.
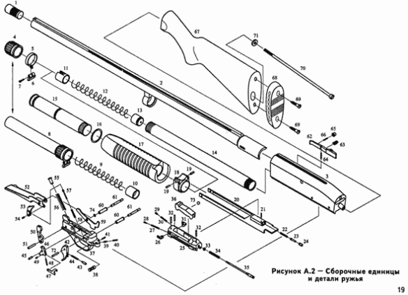
8.2 Для обеспечения необходимого ухода (чистка, смазка, осмотр) производится неполная разборка, для чего необходимо (см. рисунок 2):
- отвинтить гайку ствола 4;
ВНИМАНИЕ! В исполнении ружья с увеличенной вместимостью магазина (с гайкой-удлинителем 8) отсутствует стакан 11 и при отвинчивании гайки ствола необходимо придерживать ее во избежание вылета-ния пружины магазина 12;
- цевье переместить назад на половину длины хода и отделить ствол от коробки;
- осторожно двигая цевье вперед, достать затвор с клином;
- отделить клин 36 от затвора 25;
- снять УСМ, выбив из коробки, два штифта 61, удерживающие основание УСМ в коробке;
8.3 Полная разборка:
- провести неполную разборку ружья;
- отделить приклад 67, для этого необходимо, отвернув шурупы 69, отделить затыльник-амортизатор 68 и отвернуть стяжной винт приклада 70;
- разобрать УСМ, для чего:
1) спустить курок с боевого взвода, желательно без удара в крайнем переднем положении;
2) выбить выколоткой оси курка 51, шептала 45, спускового крючка 45, задержки 60;
3) выбить штифт предохранителя 41 и отделить предохранитель 38;
- разобрать затвор, для чего необходимо:
1) выбить оси извлекателя, выбрасывателя, ударника 32.
ВНИМАНИЕ! Оси извлекателя и выбрасывателя выбиваются только снизу вверх
2) снять ударник 35, пружину 34 и шайбу 33;
- выбить ось перехваты вателя 64 и снять перехва-тыватель 62 с пружиной 63, кнопкой перехватывателя 65 и пружиной кнопки перехватывателя 66;
- для снятия пружины трубчатого магазина и по-давателя нажать выступы пластмассовой заглушки 11 через боковые отверстия в трубке магазина, при этом необходимо обязательно придерживать заглушку от вылета под действием пружины магазина 12.
8.4 Сборка ружья производится в обратном порядке.
После полной разборки:
- производится сборка трубчатого магазина;
- устанавливается в коробку перехватыватель;
- производится сборка затвора;
- производится сборка ударно-спускового механизма;
- устанавливается приклад и затыльник приклада. Соединение приклада с коробкой должно быть прочным, без качки.
После неполной разборки:
- производится постановка клина в затвор. ВНИМАНИЕ! Ограничительная шайба 33 пружины ударника должна попасть в соответствующую выемку клина;
- производится постановка подвижных частей на ружье. При постановке подвижных частей затвор с клином, цевье в сборе должны быть собраны в один узел. В таком положении затвор с клином и затворной рамой вводятся в коробку, а цевье одновременно на трубку магазина.
Затвор с клином и затворной рамой удобнее вставлять в коробку в горизонтальном положении ружья, при этом клин должен быть опущен и не препятствовать продвижению затвора назад;
- установить ствол в коробку.
При этом необходимо;
1) отвести назад цевье примерно на половину хода;
2) вставить ствол в коробку;
3) завернуть гайку ствола;
- установить УСМ, при этом необходимо:
1) отвести цевье назад и, нажав на кнопку перехватывателя, осторожно перевести цевье в переднее положение;
2) взвести курок 50;
3) поставить УСМ. При сборке ружья не рекомендуется применять больших усилий или принудительно забивать подвижные и съемные детали во избежание надиров, царапин, смятий.
8.5 Чистка и смазка.
8.5.1 Ружье всегда должно быть вычищено и слегка смазано. Для чистки применяйте чистый протирочный материал. Чистку производите сразу после стрельбы или в течение не более одних суток после стрельбы. В зимнее время перед чисткой ружье должно 2-3 часа находиться в отапливаемом помещении.
8.5.2 Для чистки канала ствола необходимо:
- смазать поверхность канала ствола ружейным
маслом;
- протереть канал и патронник протирочным материалом;
- для полного удаления нагара и освинцовки можно процесс смазки и протирки канала повторить несколько раз. Для снятия сильной освинцовки можно применять сетку или щетку из тонкой латунной проволоки, навинченной на шомпол и густо смазанной ружейной смазкой.
8.5.3 Смазку деталей производить тонким слоем, особенно при эксплуатации ружья при отрицательной температуре во избежание загустевания смазки. Также должны быть смазаны направляющие пазы для затворной рамы в коробке ружья, а также наружная поверхность трубки подствольного магазина.
9. УКАЗАНИЯ ПО ЭКСПЛУАТАЦИИ РУЖЬЯ МР-133
9.1 Продолжительность службы и безотказность в значительной степени зависят от умелого и заботливого обращения с ним.
9.2 Не стреляйте одними капсюлями без пороха, так как продукты сгорания взрывчатой смеси капсюлей портят каналы стволов.
9.3 Не применяйте патронов, туго входящих в патронники: это может привести к тугому извлечению стрелянной гильзы.
9.4 Не производите холостых спусков курков - это снижает живучесть ударников и их пружин. В случае необходимости имитировать выстрел, вставляйте в патронник гильзы с использованными капсюлями.
9.5 Не допускайте ударов по стволам - это может привести к появлению вмятин.
9.6 Винт, крепящий приклад к коробке, в процессе стрельбы, особенно в начальный период эксплуатации, периодически подтягивайте, чтобы не было , качки приклада.
9.7 При одновременной разборке нескольких изделий не допускайте перепутывания клина и затвора - они не взаимозаменяемы.