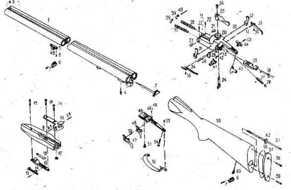
Рис. 4. Схема механизма запирания стволов ружей ИЖ-58МА и ИЖ-58МАЕ
1 - стволы собранные; 2 - цевье; 13 - винт; 23 - планка запорная; 24 - винт; 25 - рычаг запора; 26 - рычаг планки запорной; 27 - кулачок; 28 - пружина планки запорной с упором кулачка; 32 - ось кулачка; 35 - спуск правый; 36 - спуск левый.
5. УСТРОЙСТВО И ПРИНЦИП РАБОТЫ РУЖЕЙ ИЖ-58АМ
Съемные стволы расположены в горизонтальной плоскости. Дульные сужения стволов - правый получок, левый - чок обеспечивают стабильную кучность боя. Стволы ИЖ-58МА надежно запираются запорной планкой , на два подствольных крюка и рычагом запирания на верхний крюк стволов. Управляет запиранием рычаг, расположенный над хвостовиком колодки. Отпирание ружья производится поворотом рычага запора вправо. Съемное цевье закрепляется на стволе с помощью защелки рычажного типа.
В ружье ИЖ-58МА гильзы из патронников выдвигаются экстрактором при открывании стволов.
Ружье ИЖ-58МАЕ имеет эжекторный механизм, автоматически выбрасывающий стреляную гильзу. Гильза выбрасывается из того ствола, из которого сделан выстрел. Если выстрела не было, то нестреляный патрон выдвигается плавнодо 3 мм.
Детали эжекторного механизма ИЖ-58МА расположены на стволах, шарнире и колодке.
При необходимости эжекторный механизм ИЖ-58МА можно отключить, нажав на переднюю часть среднего рычага эжектора и повернув его до упора. В этом случае гильзы будут выдвигаться плавно, как обычно. Чтобы включить эжекторный механизм, нужно повернуть средний рычаг в обратном на-правлении.
Детали ударно-спускового механизма ИЖ-58МА расположены в колодке и на отдельном основании (личинке), прикрепленном к колодке снизу. Курки возвратные ("с отбоем"), имеют предохранительные взводы. Бойки закреплены в курках. Боевые пружины цилиндрические спиральные. Взведение курков и сжатие боевых пружин осуществляется с помощью шарнира, взводителей и штоков при открывании ружья. Автоматический предохранитель запирает шептала (кнопка предохранителя находится в заднем положении). Когда кнопка предохранителя в переднем положении, шептала открыты и не препятствуют спуску курков. Предохранитель ИЖ-58МА обеспечивает возможность безударного спуска курков с боевого взвода. Для этого откройте стволы, кнопку предохранителя переместите в переднее положение, нажмите на спусковые крючки и плавно закройте стволы, курки встанут на предохранительные взводы.
При необходимости ружье ИЖ-58МА можно сделать с предохранителем неавтоматического действия, повернув тягу на 180 градусов относительно горизонтальной оси.
Специальные выступы на спусковых крючках ИЖ-58МА предупреждают возникновение выстрели при неполностью закрытых стволах.
Рекомендуется после выстрела из правого ствола (если выстрел из левого не производился) патрон, находившийся в левом стволе, поместить правый ствол, а новый патрон поместить в левый ствол.
Любое огнестрельное оружие, несмотря на наличие в нем различных предохранительных устройств, представляет известную опасность для жизни и здоровья людей при легкомысленном обращении с ним. Поэтому принимайте все меры предосторожности и помните, что пренебрежение правилами безопасности может привести к трагическим последствиям.
Ружье ИЖ-58МА пригодно для стрельбы дымным и бездымным порохами, гильзы могут применяться как бумажные, так и металлические.
Ружье ИЖ-58МА защищено авторскими свидетельствами № 118049, 134162, 425039, 547130. Ружье И Ж 58МАЕ защищено авторскими свидетельствами №№ 118049, 134162, 425039, 547130 и 480287.
6. УКАЗАНИЯ МЕР БЕЗОПАСНОСТИ
Всегда считайте ружье заряженным и готовым к выстрелу.
6.1. Не стреляйте из ружья патронами с зарядами большими, чем рекомендуемые на фабричной упаковке пороха, а также смесью дымного с бездымным. Не стреляйте патронами или порохами, хранившимися более 4-х лет.
КАТЕГОРИЧЕСКИ ЗАПРЕЩАЕТСЯ применение любых неохотничьих порохов, так как это может принести к раздутиям или разрывам стволов.
Запрещается спрессовывать заряд из бездымного охотничьего пороха.
6.2. Не стреляйте пулей, которая не соответствует диаметру дульного сужения, во избежание раздутия или разрыва стволов.
Диаметр круглой пули должен быть на 0,2-0,3 мм меньше диаметра канала ствола у вылета.
Диаметр пули с наружными ребрами должен быть на 0,1 - 0,2 мм меньше диаметра каиала ствола, а диаметр тела такой пули - на 0,8 - 1,0 мм меньше диаметра канала ствола у вылета (дульного сужения).
6.3. Не применяйте патронов, туго входящих в патронники: они требуют больших усилий при закрывании и открывании ружья.
6. 4. Перед заряжанием ружья обязательно осмотрите стволы: не забиты ли они снегом, грязью, лесным сором и т. п.
Стрельба из ружья с засоренными каналами может вызвать раздутие или разрыв стволов.
Чтобы избежать получения местных, так называемых "горохообразных раздутий", cледите за качеством снаряжения патронов.
При применении металлических гильз тщательно закрепляйте картонную прокладку на дробь, бумажные гильзы используйте только один раз; не перезаряжайте готовые патроны, чтобы не размягчить концы гильз.
6.5. Соединительный винт. крепящий ложу к колодке, в процессе стрельбы, особенно в начальный период эксплуатации ружья, периодически подтягивайте, чтобы не было качки ложи.
7. РАЗБОРКА И СБОРКА РУЖЕЙ ИЖ-58АМ
Для обеспечения необходимого ухода за ружьем (чистка, смазка, осмотр), ружье разбирается на три части: цевье с шарниром, стволы и колодка с ложей. Более детальную разборку производите только в случае особой необходимости. При разборке и сборке ружья строго придерживайтесь указаний настоящего паспорта.
Перед полной разборкой (рис 2) курки 4 спустите с боевого взвода, снимите затыльник с ложи 5, выверните соединительный винт 10 (рис. 2) и отделите ложу от колодки. Поверните средник 33 на 90 градусов. Выверните винт скобы спусковой 11 и скобу 12.
Выверните винты 13 (рис. 4), 14 (рис. 2), отделите, от колодки личинку 15 с пружинами 29 (рис. 2). Выколотите оси взводителей, курков и шептал 16, 8 и 9, извлеките из колодки взводители 31 шептала 6, курки 4 и штоки 17 с боевыми пружинами 7 (рис. 2).
Механизм предохранителя 18, 19, 20 разберите после удаления осей 21, 22 (рис 2).
Для извлечения запорной планки 23 (рис. 4) из колодки вытолкните ось 32, достаньте кулачок 27 и пружину с упором 28, затем выверните винт 24 и через квадратное отверстие в рычаге запора 25 легкими ударами по рычагу запорной планки 26 вытолкните его вниз.
Для снятия спусков 35 к 36 (рис. 4) выколотите штифт 31 и извлеките пружины спусков 30 (рис. 2).
Дальнейшая разборка (в том числе к узла цевья) проста и не требует особых пояснений, т. к. сводится к выколачиванию и вывертыванию соответствующих осей и винтов.
Сборку ружья производите в порядке, обратном процессу разборки.
8. ТЕХНИЧЕСКОЕ ОБСЛУЖИВАНИЕ И ХРАНЕНИЕ
Продолжительность службы и безотказность работы ружья в значительной степени зависит от умелого и заботливого обращения с ним.
Ружье должно быть всегда вычищено и слегка смазано. Особое внимание обращайте на чистоту и смазку стволов, места соединения шарнира с колодкой, оси шарнира, боковых поверхностей крюков, деталей ударно спускового механизма.
Хромированные каналы и патронники стволов значительно облегчают уход за ними, но это не исключает регулярную и тщательную чистку их. Для чистки применяйте мягкую чистую ветошь, паклю, льняные очесы, хлопчатобумажные концы.
Протирочный материалов не должен содержать песка и пыли. Чистку производите сразу после стрельбы, а в зимнее время перед чисткой ружье несколько часов должно находиться в помещении. При чистке ружье разберите, снимите стволы, каналы стволов протирайте со стороны патронника.
При большом нагаре стволы промойте в горячей воде, насухо протрите несколько раз, меняя протирочный материал на сухой и чистый.
Если при последних тугих протирках замечаются блестки свинца, значит в стволе есть освинцовка. Удалить ее можно при помощи щетки из мягкой стальной или медной проволоки, навинченной на шомпол и густо смазанной ружейной смазкой.
Не стреляйте из ружья одними капсюлями без пороха, так-как продукты сгорания взрывчатой смеси капсюлей портят каналы стволов.
Открывайте и закрывайте ружье обеими руками, плавно. Резкое открывание, и закрывание стволов больше, расшатывает их соединение с колодкой, чем нормальная стрельба.
Не производите холостых спусков курков - это резко снижает живучесть бойков. Механизм ружья обеспечивает возможность безударного спуска курков, которым и надо пользоваться, В случае необходимости имитировать выстрел, вставляйте в патронники неснаряженные гильзы с отстрелянными капсюлями.
Не допускайте ударов по стволам ружья - это приводит к появлению вмятин.
В новом ружъе защелка цевья может не закрываться полностью, доведите ее до исходного положения рукой.
Ружьё храните в сухом месте. Во избежание подсадки боевых пружин, курки спустите.
9. СНАРЯЖЕНИЕ ПАТРОНОВ